FL - Champlain Towers South Building Collapse, Miami, 24 June 2021 Media Thread **NO DISCUSSION**

  • #21
  • #22
Frustration mounts in search for survivors of condo collapse near Miami

Frustration mounts in search for survivors of condo collapse near Miami

By the time yet another fire broke out amid the dusty wreckage of the partially collapsed Champlain Towers South condo complex near Miami Beach Friday, firefighters working with search-and-rescue crews in a desperate attempt to find survivors made an unusual decision: They would not immediately put the fire out.

Crews were already wading through thigh-deep water in some places, from gusty rains, rising groundwater and previously doused fires. Pouring more water onto the site could risk destabilizing the dangerous pile of rubble and anyone still trapped inside, said Billy McAllister, head of a local firefighters union. Instead, emergency workers let the fire burn, tearing through the debris to get to the source of the flames and yank it off the site.

“Can you imagine adding all that weight?” he said.



Champlain Towers South resident survives by climbing through rubble in the dark with her dog

Champlain Towers South resident survives by climbing through rubble in the dark with her dog

“I was one of two I think that survived on my floor,” Schechter said.

Not knowing whether or not all of her neighbors made it out has been haunting her. She said she called one of the neighbors who lived on her floor but he didn’t pick up.



Missing: Loved ones name, provide photos of unaccounted for in Surfside collapse

Missing: Loved ones name, provide photos of unaccounted for in Surfside collapse

While hospitals and officials are not disclosing or confirming numbers of how many people they have admitted or the names of those who are missing from the Champlain Towers South on Collins Avenue, Local 10 is gathering information as it comes in. Much of what is included in this story, has been submitted by family members.
 
  • #23
Chilling video from inside Surfside tower shows seconds before catastrophic collapse

https://www.miamiherald.com/news/local/community/miami-dade/article252365368.html

Of all the terrifying images and footage we’ve seen of the Surfside tower collapse Thursday, one chilling video stands out for one reason: It’s taken from the inside.

A Twitter user with the handle @_Rosiesantana told her followers that security footage taken from inside her apartment shows what Champlain Towers South residents likely experienced before the disaster early Thursday.

“I am a resident of one of the condos on the side of the collapse,” explained the woman, who thankfully was away from home that fateful morning. “This is a video from my camera footage inside from the start of the collapse until the [loss] of connection.”



Rescue workers descend on collapsed Florida condo tower in desperate search for signs of life

https://www.washingtonpost.com/nation/2021/06/25/condo-collapse-search-for-survivors/


From her fourth-floor balcony, Cassandra Stratton, 40, was on the phone with her husband as she watched the pool cave into a crater in the ground and felt a deep tremor in her apartment, her older sister Ashley Dean said. In a moment, the line cut off.

“She screamed bloody murder and that was it,” Dean said Stratton’s husband told her.

From the beach, Dean pointed toward where her sister’s apartment once was, holding back tears as she recalled her charismatic sibling.

“I want to have hope,” she said, “but I’m a realist. I don’t want to hold on to false dreams.”



Surfside building official was on roof 14 hours before condo collapsed

Surfside condo collapse: Building official was on roof before tragedy

Surfside's building official said Friday he was on the roof of the Champlain Towers South 14 hours before it collapsed and said there was "no inordinate amount of equipment or materials" that would cause the building to fall.

Jim McGuinness, who made the comment during a Town of Surfside emergency meeting, said he was on the roof to inspect work of replacing roof anchors, which are where window cleaners attach their equipment.




Miami condo collapse rescuer says tapping sounds under the rubble have 'dissipated': Hope fades for 159 people still missing 48 hours after disaster

Rescuers say 'tapping' sounds indicating life after Miami building collapse have 'dissipated' | Daily Mail Online


'We haven't really heard anything in a while now, but that's not to say that there's still not people trapped that are alive,' he told CNN's Sanjay Gupta. 'As time's running out they might be getting a little more sick or ill – not as vocal as before – but, like I said, we're going to keep searching.'

Rescuers wouldn't stop until 'every stone is removed,' he said.




Survivors recount horror of Surfside building collapse: 'We knew it was a race against time'

Survivors recount horror of Surfside building collapse: 'We knew it was a race against time'

"The chandeliers and the pendant lights [were] just swaying completely, and that was not normal. It was not a clap of thunder and it wasn't a storm; it was something else," Albert Aguero told ABC News' T.J. Holmes in an interview Friday on "Good Morning America."

"The whole bedroom was shaking so violently that, honestly, I was prepared for the whole building to come down," Janette Aguero added.




INTERACTIVE: See before and after photos of Florida condo building collapse

INTERACTIVE: See before and after photos of Florida condo building collapse

Slide or drag left and right on the photos below to see before and after images of the building and surrounding area.
 
  • #24
Crews at collapse site find body, raising death toll to five

Crews at collapse site find body, raising death toll to five

SURFSIDE, Fla. (AP) — Rescue crews found another body in the rubble of a collapsed 12-story condominium tower near Miami on Saturday, raising the death toll to five as they raced to recover any survivors after fighting back fire and smoke deep inside the concrete and metal remains.

Miami-Dade Mayor Daniella Levine Cava announced the heightened toll at an evening news briefing, saying the identification of three bodies had dropped the number of unaccounted for down to 156. She said crews also discovered other unspecified human remains.



Engineer warned of 'major structural damage' years before Florida condo collapsed

Engineer warned of 'major structural damage' years before Florida condo collapsed

Morabito went on to recommend that concrete slabs, which were “showing distress” by the entrance and pool deck, “be removed and replaced in their entirety."

Unfortunately, all of these failed slab areas are under brick pavers, decorative stamped concrete and planters which require completed waterproofing replacement, he said.




Miami tower victims were 'killed by their leaky swimming pool': Engineer warned in 2018 about 'structural damage' to pool area as shocking pics show complex was riddled with concrete cracking

Engineer warned in 2018 about 'structural damage' to pool area | Daily Mail Online

The structural field survey report specifically raised concerns about the pool deck area, in which the waterproofing was failing, and the underground parking garage which was riddled with 'abundant' cracking.

Morabito wrote that 'the waterproofing below the pool deck and entrance drive was failing' and 'beyond its useful life and therefore must all be completely removed and replaced.'

The report warned that the failed waterproofing was 'causing major structural damage to the concrete structural slab below these areas.'

'Failure to replace the waterproofing in the near future will cause the extent of the concrete deterioration to expand exponentially,' it read.

Morabito wrote that there had been a 'major error' in the original design of that area because the waterproofing was laid on a concrete slab that was flat, rather than sloped to allow water to run off.

The engineering firm released a statement Saturday confirming that it completed the report in 2018 that 'detailed significant cracks and breaks in the concrete' of the building and gave a cost estimate to make the fixes.



To view this content we will need your consent to set third party cookies.
For more detailed information, see our cookies page.

ETA screenshots of the damage from the video above.

Screenshot_20210626-123619.png

Screenshot_20210626-123909.png
 
  • #25
Less than three months before the collapse of the Champlain Towers South condo complex in Surfside, Fla., the president of the condominium association warned in a letter that the damage in the building had “gotten significantly worse” since it was highlighted in a 2018 inspection.

Months before the building’s collapse, a condo official warned that damage had ‘gotten significantly worse’ in recent years.

“The 2020 study conducted by FIU Institute of Environment Professor Shimon Wdowinski identified the 12-story Champlain Towers South condominium as the one place on the east side of the barrier island where land subsidence was detected from 1993 to 1999,” FIU said in a post on its website. “But land subsidence in and of itself likely would not cause a building’s collapse, according to Wdowinski, an expert in space geodesy, natural hazards and sea level rise.”

FIU professor found sinking land at Surfside collapse site in 1990s
 
Last edited:
  • #26
Surfside tower had ‘major structural damage’ — but enough to cause a collapse?

Surfside tower had ‘major structural damage’ — but enough to cause a collapse?

“These things are very unlikely to cause the building to collapse,” said Sinisa Kolar, a senior structural engineer with The Falcon Group. “Can they cause a balcony or piece or chunk of balcony to fall down? Yes. But the whole building as a result of these things? No.”



Interview with Structural Engineer/California Seismic Safety Commissioner Kit Miyamoto - June 25

To view this content we will need your consent to set third party cookies.
For more detailed information, see our cookies page.




Florida Gov. DeSantis: Miami sister building of collapsed condo may have to be evacuated

Florida Gov. DeSantis: Miami sister building of collapsed condo may have to be evacuated

"It was built at the same time with the same designer, so they are looking at working with them, and I know they are considering potentially evacuating them, but that’s something that ultimately the mayor is going to have to make the call on," DeSantis said during a Saturday morning news conference in Surfside, east of Miami.



99 feared missing in rubble of collapsed condo in Surfside as search, vigil continue

https://www.miamiherald.com/news/local/community/miami-dade/miami-beach/article252324218.html

Barry Cohen said he and his wife gathered their belongings and rushed out of their condo after they were awakened by the noise and realized what was happening. Unable to navigate through the debris, twisted metal and a flooded parking garage, the couple returned to their unit and called for help from the balcony.

The Cohens and their two neighbors waited 20 minutes before firefighters rescued them from their balcony with a cherry picker bucket.

“I was worried it was all going to go down,” Barry Cohen said.

Security camera footage of the collapse looked eerily similar to a controlled demolition, minus the flash of explosives. One side of the tower buckled first before more of the structure collapsed into a pile of rubble. The cause of the collapse is unknown, though one building expert deemed it “an oddity of biblical proportions” for the 40-year-old structure to fall unexpectedly.

“It is so dramatically unusual that it’s hard to compare to anything other than a building going down in a city in a state of war,” said Pistorino, who played a key role in drafting the county’s 40-year building recertification policy and other building safety rules. Champlain Towers South was in the early stages of its 40-year recertification.



Relatives of 7News Chief Meteorologist Phil Ferro found in rubble of collapsed condo building

Relatives of 7News Chief Meteorologist Phil Ferro found in rubble of collapsed condo building – WSVN 7News | Miami News, Weather, Sports | Fort Lauderdale

7News Chief Meteorologist announced that his godmother and his uncle, Gladys and Tony Lozano, were found in the rubble, Saturday.




Missing grandparents’ landline calling from Champlain Towers South condo, family says

https://www.local10.com/news/local/2021/06/26/missing-grandparents-landline-calling-from-inside-champlain-towers-condo-family-says/

Jake Samuelson’s grandparents, Arnie and Myriam Notkin, live in apartment 302 and the family is still waiting to hear from them. Or have they heard from them? Samuelson said his mother’s house line has been receiving calls from the Notkin’s landline phone that he said rested next to their bed.

But there is no human sound on the other end of the line, only static.

The family has received a total of 16 calls with the first one coming in the evening of the condo collapse at 9:50 p.m. Thursday. Part of the 12-story building came down around 1:30 a.m. Thursday.


Missing grandparents’ landline calling from Champlain Towers South condo, family says
 
  • #27
Live Updates

June 26, 2021 Florida building collapse news

Miami-Dade Police identify 3 more victims
Evacuation for other Champlain towers is voluntary after buildings were inspected by the city, Surfside mayor says
Escambia County is deploying THOR, a mobile command center, to help in rescue efforts
Tributes continue near the condo building site as loved ones wait for news



Miami-Dade police release names of four victims of Surfside condominium collapse

https://www.miamiherald.com/news/local/community/miami-dade/article252398093.html

https://www.miamiherald.com/news/local/article252397128.html

The victims include: Stacie Fang, 54, who was in apartment 1002, was found Thursday; Anthony Lozano, 83, who was found Thursday, and Gladys Lozano, 79, who was found Friday. They both lived in apartment 903.




Meet the engineer hired to get to the bottom of the Surfside collapse

Meet the engineer hired to get to the bottom of the Surfside collapse

He is considered the go-to guy when it comes to investigating issues involving structural failures, and engineer John Pistorino says he will soon be on the case to figure out what went wrong in Surfside.

“It’s unexplainable. I’m bewildered,” Pistorino said Friday in an interview with Local 10 News. “Concrete gives you a warning. It gives you a warning. It doesn’t fail that fast.”

“You had the center of the building. It looks like the bottom. It started at the bottom columns,” Pistorino said. “The east tower was still standing when the center went down."

“To me, the sequence of collapsing mechanism leads me right to the center area. This to me seemed like it was really underneath the building.”




Reporter Colin Scroggins with CNAW

https://www.facebook.com/ColinScrogginsCNAW/posts/279811443931844

Where in the collapsed part of the building did the people who were found so far (alive or deceased) live?

#1002: A mother and 15-year old son pulled out of the rubble alive on the first day; the mother, who had her leg amputated, later died in a hospital
#903: An older couple found deceased
#801: A 54-year old man found deceased

There was also a mother and her teenage daughter who reportedly fell from the 9th to the 5th floor and are recovering in hospital (the mother with serious injuries). The father is still missing. Judging by their family photo on a funding site, they might have lived in the apartment #904 that was cut in half.

The apartments mentioned were on floors 8-10 and were north-facing (not directly visible in the video of the collapse), except for #801, which was north and east-facing. It appears that the 3 (initially 4) survivors were on the edges of the part that collapsed first, with the boy and his mother possibly in the part that collapsed last (that part might have been wider on the north than on the south side).




Before building collapse in Surfside, $9 million in repairs needed


Before building collapse in Surfside, $9 million in repairs needed | WFLA

The release of the 2018 cost estimate followed the earlier publication of another document from the firm showing the ground-floor pool deck of the building was resting on a concrete slab that had “major structural damage” and needed to be extensively repaired. That report also uncovered “abundant cracking and spalling” of concrete columns, beams and walls in the parking garage.

The cost estimate showed that repairs across the entire building would cost more than $9.1 million, with the cost of work at the garage, entrance and pool deck alone accounting for more than $3.8 million. The work had not been done by the time the building collapsed.




Condo Collapse: Former Maintenance Manager William Espinosa Was Concerned About Saltwater Intrusion

“I was there from 1995 to about 2000,” Espinosa explained.

https://miami.cbslocal.com/2021/06/20/condo-collapse-former-maintenance-manager-william-espinosa-was-concerned-about-saltwater-intrusion/

“Any time that we had high tides away from the ordinary, any King Tide or anything like that, we would have a lot of saltwater come in through the bottom of the of the foundation,” he claimed, adding they had to use two large pumps to try and remove the rising water. “But it was so much water, all the time, that the pumps never could keep up with it.”

“The water would just basically sit there and then it would just seep downward,” Espinosa said. “It would just go away after a while. And I would think, where does that water go? Because it had to go in through somewhere. I’m talking about a foot, sometimes two feet of water in the bottom of the parking lot, the whole parking lot.”
 
  • #28
Man who lives in condo looks out, tells wife ‘My parents’ apartment isn’t there’

https://www.local10.com/news/local/2021/06/25/man-who-lives-in-towers-looks-out-tells-wife-my-parents-apartment-isnt-there/

Lozano lived in one tower of the Champlain condo building and he could see his parents apartment across the way from his.

Then, a little after 1 a.m., he said he and his wife were in bed when they heard loud noises. Lozano said he thought it was a windstorm or a tornado.

That’s when he went out to his balcony to move furniture.

“And I tell her, ‘It’s not there.’ And she’s yelling, ‘What do you mean?’ ‘My parents apartment is not there, it’s gone!,’ and I just ran downstairs,” Lozano said.



'I HAD GOOSE BUMPS': Florida building resident stayed at girlfriend's on night of disaster

'I HAD GOOSE BUMPS': Florida building resident stayed at girlfriend's on night of disaster | Toronto Sun

Champlain Towers South resident Erick de Moura was supposed to be home when the building collapsed, but his girlfriend persuaded him to spend the night at her place less than two miles away, a circumstance that likely saved his life.

“Only by God. To me this is a miracle,” the 40-year-old Brazil native told Reuters in an interview near the site as rain began to fell on Saturday afternoon.



Florida survivor recalls escape from collapsing condo: ‘You need to run’

Florida survivor recalls escape from collapsing condo

“Two more minutes, no, no. Not even one. There was no more time,” said Monteagudo, who lived on the sixth floor of Champaign Towers South Condo that partially collapsed early Thursday morning.

Monteagudo, who is in her 50s, woke up from a restless sleep and heard strange noises. She initially believed they came from the open sliding door to the oceanfront balcony.

“I ran and tried to close it but I couldn’t, I imagine because it was unlevel already because of all the movement,” she recounted. “I heard a crack and when I looked, I saw a crack traveling in the wall two fingers thick. Something told me, you need to run.”



To view this content we will need your consent to set third party cookies.
For more detailed information, see our cookies page.


To view this content we will need your consent to set third party cookies.
For more detailed information, see our cookies page.
 
  • #29
Surfside Official Told Residents Their Building Was Safe, Despite Engineer's Warning

https://www.npr.org/sections/live-updates-miami-area-condo-collapse/2021/06/27/1010710735/surfside-official-told-residents-their-building-was-safe-despite-engineers-warni?sc=18&f=1010710735

NPR has obtained minutes of a Nov. 2018 meeting that shows a Surfside town inspector met with residents of the building, and assured them the building was "in very good shape."

The inspector's comments directly conflicted with an engineering report from five weeks earlier, which warned that failed waterproofing in a concrete structural slab needed to be replaced "in the near future."

The cause of the building collapse remains unknown, but according to the report, the structural slab was deteriorating because it was flat instead of sloped. That meant the water didn't drain off the concrete's waterproofing quickly, but rather pooled there until it evaporated.



Developers of doomed Fla. tower were once accused of paying off officials: report

Developers of Fla. tower were accused of paying off officials

Building rivals claimed that the partners behind Surfside Champlain Towers South were receiving preferential treatment when it came to getting through the permit system as the site was being built in 1981, the Washington Post said.

Surfside’s developers had contributed to the campaigns of at least two town council members, then demanded that the donations be returned when the allegations surfaced, according to the outlet.




See what experts say is the probable sequence of collapse at the Florida condo tower

https://www.miamiherald.com/news/local/community/miami-dade/miami-beach/article252396233.html

Six engineering experts interviewed by the Miami Herald on Saturday said that based on the publicly available evidence — including building plans, recent inspection reports, photos of debris, an eyewitness, and a surveillance video of the collapse — a structural column or concrete slab beneath the pool deck likely gave way first, causing the deck to collapse into the garage below, forming a crater beneath the bulky midsection of the tower, which then caved in on itself.




Surfside hires engineer to consult on fatal condo collapse, check nearby buildings

https://www.miamiherald.com/news/local/community/miami-dade/miami-beach/article252405583.html?utm_source=pushly&intcid=pushly_1127137

A renowned structural engineer whose firm has consulted on major disasters like the 9/11 terrorist attack on the Pentagon and the Florida International University bridge collapse is now shifting his focus to Thursday’s fatal condo collapse in Surfside.

Allyn Kilsheimer, founder and chief executive of KCE Structural Engineers, has been hired by the town of Surfside to study the partial collapse of the Champlain Towers South, which has left at least nine dead and 156 missing. The firm will also study the condition of the remaining existing building and adjacent similar buildings, while providing geotechnical and original-design evaluations, according to a contract with the town executed Sunday.



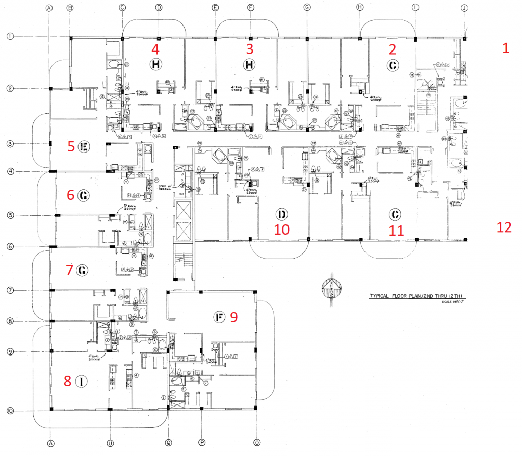
Attached floor plan with added apartment numbers
courtesy of @indicolite22

8777-collins-ave-apptno1.png
 
  • #30
Surfside mayor calls for evacuation of collapsed condo’s sister building

Surfside mayor calls for evacuation of collapsed condo's sister building

“I am going to recommend that we move people out of that building,” Surfside Mayor Charles Burkett said Friday, according to WSVN.

“We’ve got an identical building one block away with people living in it, and in an abundance of caution, I think we need to relocate those folks.”




The engineering firm that found structural damage in 2018 says they're 'deeply troubled' by the Florida condo collapse

The engineering firm that found structural damage in 2018 says they're 'deeply troubled' by the Florida condo collapse

"We are deeply troubled by this building collapse and are working closely with the investigating authorities to understand why the structure failed," the statement from Morabito Consultants said.

The statement also said the firm had provided the condo association with an estimate of what the necessary repairs would cost and had been working on a "40-year Building Repair and Restoration" plan since June 2020.




Possible Failure Point Emerges in Miami-Area Building Collapse

Possible Failure Point Emerges in Miami-Area Building Collapse

Called “progressive collapse,” the gradual spread of failures could have occurred for a variety of reasons, including design flaws or the less robust construction allowed under the building codes of four decades ago, when the complex was built. But that progression could not have occurred without some critical first failure, and close inspections of a grainy surveillance video that emerged in the initial hours after the disaster have given the first hints of where that might have been.



June 27, 2021 Press Conference

To view this content we will need your consent to set third party cookies.
For more detailed information, see our cookies page.
 
  • #31
  • #32
Video shows South Florida building collapse

To view this content we will need your consent to set third party cookies.
For more detailed information, see our cookies page.

Drone view of collapsed beachfront condo building

To view this content we will need your consent to set third party cookies.
For more detailed information, see our cookies page.



Authorities name 8 of nine victims from Surfside collapse

Authorities name 8 of nine victims from Surfside collapse

Miami-Dade County Mayor Daniella Levine Cava confirmed Sunday morning that the death toll had risen to nine.

During a news conference Sunday evening, she confirmed that the death toll remains at nine, but said an additional four bodies that had been pulled from the rubble have now been identified.

However, at around 9:30 p.m., Miami-Dade Police released an update, which included the names and ages of four additional victims:

The four additional victims recovered and identified are below:
  • Leon Oliwkowicz: 80 years old; recovered 6/26/2021
  • Luis Bermudez: 26 years old; recovered 6/26/2021
  • Anna Ortiz: 46 years old; recovered 6/26/2021
  • Christina Beatriz Elvira: 74 years old; recovered 6/27/2021
That means only one of the victims have yet to be identified. The mayor said 134 people are accounted for and 152 are unaccounted for.



Rescue dog searches rubble for survivors after Miami building collapse

Watch: Rescue dog searches rubble for survivors after Miami building collapse



Crews spend 5th day atop shaky pile of collapsed concrete

https://www.local10.com/news/national/2021/06/28/rescuers-stay-hopeful-about-finding-more-survivors-in-rubble/?utm_source=twitter&utm_medium=social&utm_campaign=snd&utm_content=wplg10

Rescuers searching for a fifth day for survivors of a Florida condo building collapse used bucket brigades and heavy machinery Monday as they worked atop a precarious mound of pulverized concrete, twisted steel and the remnants of dozens of households.

Authorities said their efforts were still a search-and-rescue operation, but no one has been found alive since hours after the collapse on Thursday. Two more bodies were recovered Monday, bringing the confirmed death toll to 11. They were later identified as 50-year-old Frank Kleiman and 50-year-old Michael David Altman in a Miami-Dade Police news release that also named 52-year-old Marcus Joseph Guara as one of the bodies recovered on Saturday.

“Every time there’s an action, there’s a reaction,” Miami-Dade Assistant Fire Chief Raide Jadallah said during a news conference. “It’s not an issue of we could just attach a couple of cords to a concrete boulder and lift it and call it a day." Some of the concrete pieces are smaller, the size of basketballs or baseballs.

“The human dimension is huge -- the uncertainty that you could be leaving someone alive behind by ending too early,” Barbera said. “Families continue to have hope, as do rescuers, which is why you continue to see them pushing so hard within these difficult conditions.”



11 Identified & 150 still unaccounted for

Authorities identify 3 additional victims of Surfside building collapse; death toll now at 11

“These numbers are very fluid and they will change,” she told reporters.

Frank Kleiman, 50 (recovered 6/28/2021)
Michael David Altman, 50 (recovered 6/28/2021)
Christina Beatriz Elvira Oliwkowicz, 74 (recovered 6/27/2021)
Marcus Joseph Guara, 52 (recovered 6/26/2021)
Leon Oliwkowicz, 80 (recovered 6/26/2021)
Luis Bermudez, 26 (recovered 6/26/2021)
Anna Ortiz, 46 (recovered 6/26/2021)
Gladys Lozano, 79 (recovered 6/25/2021)
Manuel "Manny" LaFont, 54 (recovered 6/25/2021)
Stacie Dawn Fang, 54 (recovered 6/24/2021)
Antonio Lozano, 83 (recovered 6/24/2021)
 
  • #33
per @JaxFlaGal

** links pre-approved by mods/admin - do NOT take this as free rein to post non-MSM from YouTube**
There's been some very good engineering info shared on this thread but it's challenging for us laypeople to parse through. In reading last night, I found a Youtube link to a source that was quite informative. I normally wouldn't ask to post any YT sources, but in this case, I requested and received the ok to post. The source is president of a Southwest Florida firm that specializes in engineering consulting for condo associations (and HOAs/individuals). His analyses of the existing specs and reports that have been made public were helpful to me in trying to understand what various engineering info means. Please note that he does not have or claim to have personal knowledge of the structure - his opinions are based on the same publicly available reports and documents that we sleuthers have shared here. Still, it's helpful to some of us to have some of the technobabble broken down into plainer language.

It seems he's posting while on vacation this week; I haven't seen him quoted in MSM yet.

To view this content we will need your consent to set third party cookies.
For more detailed information, see our cookies page.

To view this content we will need your consent to set third party cookies.
For more detailed information, see our cookies page.

To help members judge the video's source, here's his licensing info in FL (licensed since 2008): Date From
and company web page also confirming identity: Staff – Consult Engineering

** again, links pre-approved by mods/admin - do NOT take this as free rein to post non-MSM from YouTube**
 
  • #34
Former building inspector denies getting copy of damning Florida condo study

Ex-inspector denies getting copy of damning Florida condo study

Chouela sent Prieto two reports, according to an email posted on the town’s website, the outlet reported.

One was the “structural field survey report” by Morabito that detailed the building’s structural deficiencies, and the other was a mechanical and electrical engineering report by Thomas E. Henz, P.E., according to the Herald.

Chouela also introduced the building inspector at the meeting with five of the seven board members, along with property manager Alexandria Santamaria, condo board lawyer Marilyn Perez and some residents, it added.

But Prieto told the Herald on Saturday that he didn’t recall receiving the report from Chouela, who had also provided cost estimates for the repairs — and also said he was unaware the town had received the report, which cited “abundant cracking.”

“I don’t know anything about it. That’s 2018,” he told the Herald.



Team of national scientists to visit Surfside collapse site

Team of national scientists to visit Surfside collapse site

The federal oversight team that investigated the World Trade Center collapse is now starting the process of probing the Surfside condo collapse.

The National Institute of Standards and Technology is sending a team of six scientists and engineers to the site of Thursday’s partial building collapse at Champlain Towers South “to collect firsthand information,” the NIST confirmed to Local 10 News on Monday.



Surfside official was sent disturbing report. He told board condo was ‘in good shape’

https://www.miamiherald.com/news/local/community/miami-dade/miami-beach/article252394393.html

“Not once did Morabito share with us any sense of urgency, at least not the residents,” Alvarez said, who lived on the 10th floor. “He never said the building was falling apart. He said the repairs were to bring the building up to today’s standards of beauty.”

An estimate from Morabito at the time called for about $9 million in structural work. When he told residents, “of course everybody freaked,” Alvarez said. The average assessment for owners in the 136-unit building was about $100,000 apiece, she said.

Referring to the pool deck, the report said, “the failed waterproofing is causing major structural damage to the concrete structural slab below these areas.” And referring to the garage, the report said, “abundant cracking and spalling of varying degrees was observed in the concrete columns, beams, and walls.”

A lawyer for the condo association, Donna D. Berger, said in a post on social media that the 2018 report “was posted on the association web site as were all the bids that were being obtained for the owners to see.” The board secured a line of credit to pay for the repairs, she said, and the board passed a special assessment.

Berger, in the social media post, emphasized that “this board was proactive — undertook an engineering report four years before it was required. Obtaining financing to pay for the project and was in the process of replacing the roof which was needed to then use the staging straps to address the necessary concrete repairs.”

Unit owners at Champlain Towers South were expected to be assessed based on the square footage of their property. The Cordaros said they received a bill for $95,000 to pay for the building repairs and renovation. They said they sent the check just two weeks ago.

Cordaro said she was told the work had to do with the balcony and does not recall any discussion of foundation issues or plans to repair the issues with the garage. Cordaro said she was increasingly worried about leaving her car in the parking garage under the building.

“I was scared every time,’’ she told the Herald.. “There was always water in my spot, water on the floor, water coming up from the wall, and a big, big, big crack. And nobody would say nothing.”

The 2018 report said that the parking garage under the pool deck and planter slabs “revealed signs of distress/fatigue...Several sizable [cracks in the concrete] were noted in both the topside of the entrance drive ramp and underside of the pool/entrance drive/planter slabs, which included instances with exposed, deteriorating rebar.”
 
  • #35
He wanted to head home to Champlain Towers. His girlfriend wanted him to stay. She may have saved his life.

https://www.washingtonpost.com/nation/2021/06/28/erick-de-moura-condo-collapse-florida/

Erick De Moura woke up at about 5:30 a.m. Thursday to use the bathroom. He was at his girlfriend’s house — a rare occurrence on a weeknight — and walked into the kitchen to get his phone.

That’s when he saw all the calls and text messages.

One text in particular stood out — it was from Rochelle, a doorman supervisor at his building on Collins Avenue in Surfside, Fla., asking if he was okay.

“Oh, my God, you’re alive,” Rochelle said to De Moura, 40, when she answered his call.

“What do you mean I’m alive?” he responded in a sleepy haze.

“The building collapsed,” she said.

Then came the sinking feeling, the confusion and denial. Maybe she meant a wall fell down or there was water in his unit, he thought.

“What do you mean the building collapsed?” De Moura said.

Rochelle then sent a picture of the rubble and debris that was once his home.



Morabito Consultants Issues Statement on Building Collapse in Surfside, Fla.

Morabito Consultants Issues Statement on Building Collapse in Surfside, Fla.

upload_2021-6-28_14-16-18.png



Miami-Area Condo That Collapsed Skirted Local Codes With Penthouse

Miami-Area Condo That Collapsed Skirted Local Codes With Penthouse

The developers of the collapsed Surfside condominium tower worked around local building codes by adding a penthouse that wasn’t part of the original plan, a review of town building records shows.

Plans submitted by the developer of the Champlain Towers South initially called for 12 floors of residential units. The developer decided to add a penthouse, which increased the building’s height by 15 feet with an additional floor. That put the tower slightly above the town’s legal height ordinance at the time.

The property owners built the penthouse after the Surfside town commission granted a special exemption to local height limits, according to a 1981 article in the Miami Herald. That allowed for these rooftop apartments at Champlain Towers South and a little later at Champlain Towers North, which was built around the same time.

It isn’t clear if the addition of a penthouse put undue stress on the south tower, though any possible irregularity related to the building is receiving new attention from local authorities and engineers after its sudden collapse.



Two days before condo collapse, a pool contractor photographed this damage in garage

https://www.miamiherald.com/news/local/community/miami-dade/miami-beach/article252421658.html

14B389AC-7FFD-46D5-950B-FF0EE835F67F.jpeg

04E128A3-C96F-4F84-BA9E-FDFB469BFD3F.png

10A8AE78-1EFA-4B9A-9824-ED331D67C683.jpeg
 
  • #36
Rescuers: Survivors could still be inside collapsed building

Rescuers: Survivors could still be inside collapsed building

Authorities said their efforts were still a search-and-rescue operation, but no one has been found alive since hours after the collapse on Thursday. Two more bodies were recovered Monday, bringing the confirmed death toll to 11. More than 150 others are still missing in the community of Surfside, just outside Miami.

Underscoring the risks of the work, he noted that families who rode buses to visit the site on Sunday witnessed a rescuer tumble 25 feet down the pile. Workers and victims must both be considered, he said.

“It's going to take time,” he said. “It's not going to happen overnight. It's a 12-story building.”

Relatives continued their visits on Monday. From outside a neighboring building, more than two dozen family members watched teams of searchers excavate the building site. Some held onto each other for support. Others hugged and prayed. Some people took photos.



'Significantly worse': Doomed Miami condo's concrete deterioration was accelerating in April, condo letter says

Miami condo deterioration was worsening in April, letter says

A letter sent in April from the president of the Champlain Towers South Condominium Association said that damage to the doomed building’s basement garage had “gotten significantly worse” since an inspection about two and a half years earlier and that deterioration of the building’s concrete was “accelerating.”

The April 9 letter was obtained by USA TODAY from a family member of two building residents missing. The author, Jean Wodnicki, president of the association’s board of directors, survived Thursday’s collapse, a condo association attorney said.

“When you can visually see the concrete spalling (cracking), that means that the rebar holding it together is rusting and deteriorating beneath the surface,” she told residents.


Here is a letter to the owners of the condos from the Board. It has the estimates and proposed scope of work.
courtesy of @GatorFL

https://s.wsj.net/public/resources/documents/miamiletter0628.pdf



Florida condo collapse victims: Photos of missing people on memorial wall near site

Florida condo collapse victims: Photos of missing people on memorial wall near site




Rubble, Narrow Voids, Storms: The Dangerous Rescue Effort in Miami

Rubble, Narrow Voids, Storms: The Dangerous Rescue Effort in Miami

As the afternoon dragged on, it appeared their hopes would be dashed for another day.

But on occasion, the workers would pause, and bend down, and collect what amounted to small, fragile consolation prizes: the personal photos from the residents of the Champlain Towers South, a building that less than a week ago had been alive with a typically South Florida assemblage of families, grandparents and retirees.

“There’s not a lot,” said Maggie Castro, a firefighter and paramedic for Miami-Dade Fire Rescue and a rescue specialist for Florida Task Force 1, one of the elite urban search-and-rescue teams that have been working on the rubble pile since Friday.

“There have been some wallets. Some pieces of jewelry. Larger picture frames we have identified to go back to them,” she said. “For some of them, this might be as close as they get to their families ever again.”

Officials have explained to families that having too many rescuers on the pile could collapse the narrow voids beneath and further hamper rescue efforts. The families have also seen firsthand the danger rescuers face. On Sunday, one search-and-rescue worker fell 25 feet down the mound, in full view of some family members.



28miami-4-articleLarge.jpg

Image


 
  • #37
  • #38
  • #39
Philippe Naïm was in his Paris apartment when he got a call early June 24 from his wife who was at the couple's beachside condo.

It was the middle of the night in Surfside, Florida, but Margarita Champin had heard a noise that had shaken her – like an explosion.

[...]

He stayed on the line as his wife went to check the outside hallway. The power was out, but from what she could see – dust, debris, drywall – she understood this was more than a fire. Naïm and Champin agreed to call every five minutes. He told her to check that her phone was fully charged, knowing this was the only lifeline they had.

[...]

In the pitch black, Champin found her way to a neighbors' apartment with whom she waited with for evacuation. It took about 25 minutes for firefighters to rescue Champin and her neighbors on the 8th floor. They had to climb over piles of rubble to get to the fire ladder.

cdfb3c9c-3d79-4996-a37f-22dbaa30f300-XXX_sd__2416-2.jpg
A photo taken by Margarita Champin shows a view from her 8th floor Champlain Towers South condo of debris from the collapsed section of the building in Surfside.

[...]

USA TODAY
 
  • #40

Members online

Online statistics

Members online
66
Guests online
4,216
Total visitors
4,282

Forum statistics

Threads
632,957
Messages
18,634,149
Members
243,359
Latest member
SMA
Back
Top